ÜRÜN:% S

loading

Paylaş:
facebook sharing button
twitter sharing button
line sharing button
wechat sharing button
linkedin sharing button
pinterest sharing button
sharethis sharing button

AC dişli motor YN70-15W

Bu mikro AC dişli motorumuz uluslararası düzeyde gelişmiş dişli azaltma yüksek tork düşük hızlı elektrik motorudur. Uygun bir dişli hız azaltıcı ile tek fazlı kapasitör çalıştırma motoru, bu dişli motor gerekli çıkışı elde edebilir.
Kullanılabilirlik Durumu:
Miktar:

Ürün Açıklaması

Hız denetleyicisine bağlı olarak dönme hızı ayarlanabilir.

Bu AC dişli motoru, güç tüketimini azaltabilen düşük hızlı iletim dişlisi için tahrik bileşeni olarak kullanılır.


AC dişli motorunun fonksiyonlarına göre, bu elektrik motoru AC indüksiyon dişlisi motoruna ve AC geri dönüşümlü dişli motoruna bölünebilir.


İndüksiyon dişli motoru, otomatik takım tezgahları, baskı makineleri vb.


Tersinir dişli motor, otomatik satış makinesi, ambalaj makineleri vb.


Çin'de profesyonel bir elektrikli dişli motor üreticisi olarak, We Taibang Motor Grubu, asal kaliteli mikro AC dişli motor, küçük AC dişli, DC fırçalanmış ve fırçasız dişli indirgeme motoru, DC Wormed Dişli Redüktör Motoru, Planet Gipli Kutusu, AC Roller Drum Motor & DC sağlayabilir Küresel kullanıcılar için davul motoru.


Motor Spesifikasyonu

3 I 15 R Gn C
1 2 3 4 5 6
1. Boyut Boyutu 2.Totor Türü 3. Güç Verme 4. Hız 5. Maft Tipi 6. Voltaj
2 60 mm I İndüksiyon 4 4W 90 90W R Değişken Hız A Yuvarlak şaft A Tek aşama 110V
3 70mm R Geri dönüşümlü 6 6W 120 120W

Gn Sarmal dişli şaftı                               (4W, 6W, 15W, 25W, 40W) C Tek fazlı 220v
4 80 mm

15 15W 140 140W

Gu

Helis Dişli Şaftı (60W, 90W, 120W, 140W,

180W, 200W, 250W)

S Üç Faz 220V
5 90mm

25 25W 180 180W



S3 Üç Faz 380V
6 104 mm

40 40W 200 200W



S4 Üç Faz 440V




60 60W 250 250W



SS3 3-faz 220V/380V

Şanzıman Spesifikasyonu

3 Gn 5 K
1 2 3 4
1. Boyut Boyutu 2. Malt Türü 3. geyik oranı 4.Gearbox Türü
2 60 mm Gn Helis Dişli Şaftı (60#, 70#, 80#, 90# şanzıman) 180 Azaltma oranı (180: 1) K Paralel şaft
3 70mm Gu Helis Dişli Şaftı (100# Gearbox)

RT Sağ açı katı şaft
4 80 mm Gm Ara şanzıman

RC Sağ açılı içi boş şaft
5 90mm Gs Kulak Monte Şanzıman



6 104 mm





Şanzıman tork tablosu (kg.cm)

Çıkış hızı               

Rpm

500

300

200

150

120

100

75

60

50

30

20

15

10

7.5

6

5

3

Dişli azaltma oranı

50Hz

3

3

7.5

10

12.5

15

20

25

30

50

75

100

150

200

250

300

500

60Hz

3.6

6

9


15

18


30

36

60

90

120

180


300

360

600

İzin verilmiş

tork

15W

kg.cm

2.4

4

6

8

10

12

16

19

23

39

50

50

50

50

50

50

50

Ortalama boyut 

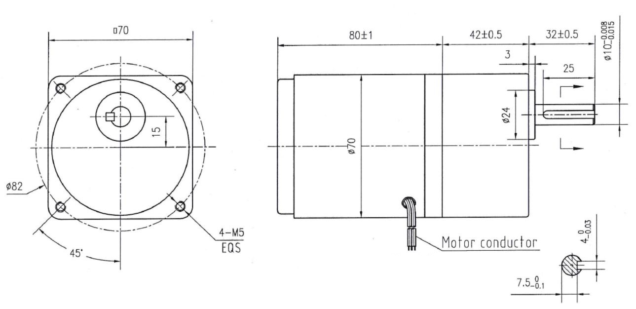
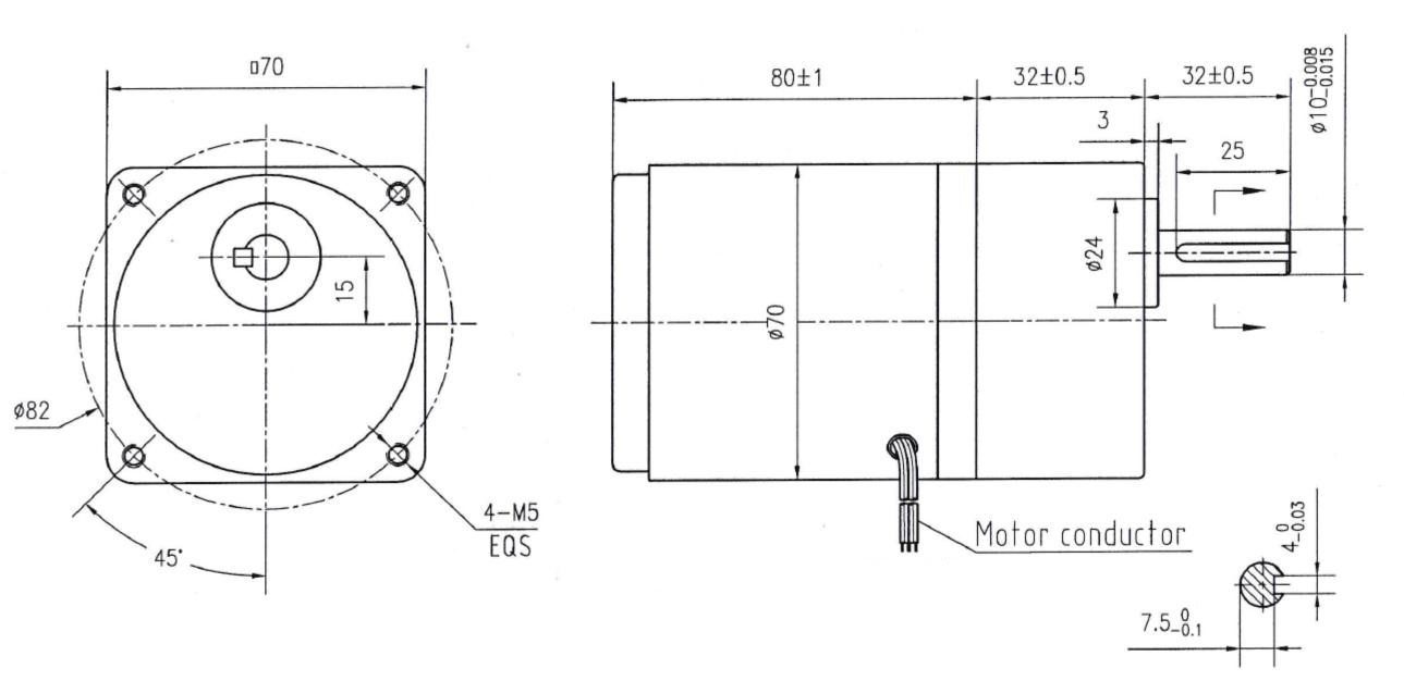
3RK15GN-C/3GN3 ~ 20K

3RK15GN-C 3GN3-20K

3RK15GN-C/3GN25 ~ 180K

3RK15GN-C 3GN25-180K

Motor Tipi: YN70-10 YN70-15 YN70-20 YN70-25

3ik10gn-c 3rk10gn-c 3ik10rgn-c 3rk10rgn-c 3IK15GN-C 3RK15GN-C 3IK15RGN-C 3RK15RGN-C

3IK20GN-C 3RK20GN-C 3IK20RGN-C 3RK20RGN-C 3IK25GN-C 3RK25GN-C 3IK25RGN-C 3RK25RGN-C



İndirgeme Şanzıman Türü: 70JB3G10 70JB3.6G10 70JB5G10 70JB6G10 70JB7.5G10 70JB10G10 70JB12.5G10 70JB15G10

70JB18G10 70JB20G10 70JB25G10 70JB30G10 70JB36G10 70JB40G10 70JB50G10 70JB60G10

70JB75G10 70JB90G10 70JB100G10 70JB120G10 70JB180G10

3GN3K 3GN3.6K 3GN5K 3GN6K 3GN7.5K 3GN10K 3GN12.5K 3GN15K 3GN18K 3GN20K

3GN25K 3GN30K 3GN36K 3GN40K 3GN50K 3GN60K 3GN75K 3GN90K 3GN100K 3GN120K

3gn180k


Önceki: 
Sonraki: 
ÜRÜN SORGULAMA
Micro AC dişli motorlar, küçük AC dişli motorlar, DC fırçalanmış dişli motorlar, DC fırçasız dişli motorlar, gezegen şanzıman ve silindir davul dişli motorlar vb.

BİZE ULAŞIN

    Wei 16 Yolu, Yueqing Ekonomik Kalkınma Bölgesi, Wenzhou, Zhejiang, Çin
    +86-577-62661818
  +86-189-0665-9383
    sales@gpgmotor.com
BÜLTEN
Telif hakkı2022 Taibang Motor Industry Group Co.,Ltd. Tüm hakları Saklıdır.Yer haritasıDesteklemekLeadong